電話:13570151199
傳真:020-39972520
郵箱:hanyan@hanyancarbon.com
地址:廣東省廣州市番禺區東環街番禺大道北555號天安總部中心30號樓6層
活性炭吸附床用于沼氣凈化
沼氣是一種可再生資源,可以通過有機廢物的厭氧消化獲得,例如污水、動物或食物廢物、農業殘留物和城市固體廢物的有機部分。沼氣中常見的污染物是硫化氫和硫化合物與硅氧烷,這些分子含有與氧和鹵素相連的硅。為了去除沼氣中的污染物,我們提出了一種新的實驗方法來評估活性炭對沼氣污染物的吸附能力。研究了使用活性炭床作為燃料電池工廠沼氣凈化單元的主要工藝,從厭氧消化氣體去除中去除污染物的吸附機制。這項工作的目的是通過實驗確定活性炭的吸附容量與理化性質之間的關系。所呈現作品的新穎性依賴于不同材料分析和嚴格實驗工作的整合?紤]到氣體速度對吸附容量的影響,進行了定量分析。
活性炭特性的評估
分析了五種選定的微污染物吸附商業材料,以確定樣品在硫化氫和硅氧烷吸附能力方面的性能。分別為三種蒸汽活化的活性炭,一種載金屬氧化物的活性炭,最后是單獨的金屬氧化物。
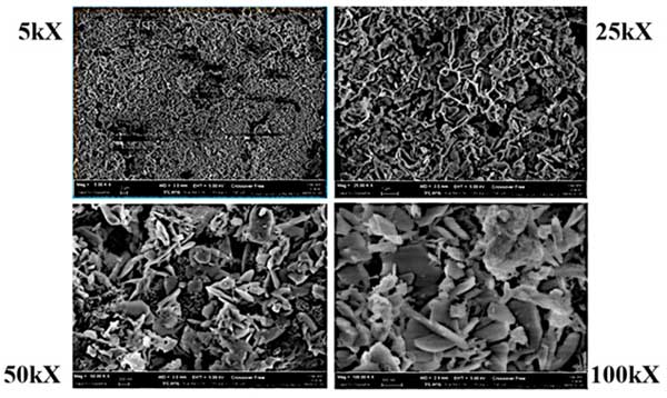
采用掃描電子顯微鏡(SEM)結合EDS分析來表征吸附劑樣品。局部化學分析通過EDS(能量色散X射線光譜法)實現。定性分析是通過識別光譜中報告的線來實現的,而定量分析(確定元素組成百分比)是通過測量樣品中存在的每種元素的線強度來進行的。圖1顯示了一系列活性炭的SEM圖像,放大倍數遞增:5000、25,000、50,000、100,000倍。SEM圖像說明了活性炭的多孔結構,突出了樣品表面不連續性的存在。高孔隙率的存在對于限制鼓風機系統過濾沼氣的能量損失是必要的。正如我們之前的一些研究報道的那樣,SEM圖像與EDS分析相結合可用于突出硫在孔隙和金屬基催化位點內的吸附和保留。

圖1:活性炭的SEM圖像。
吸附能力的評價
進行實驗室測試以評估所選材料的吸附能力。測試是使用三個不同的充滿活性炭的反應器進行的,1、4mm微反應器:第一組實驗使用內徑為4mm的微反應器,填充磨碎的碳,過篩選擇粒徑為50μm-70μm的顆粒;用醫用紗布獲得碳保留。反應器的封閉是用帶有硫惰性涂層的鋼制成的螺母和墊圈實現的:2、大型反應器:最后一組實驗使用實驗室自建的反應器,內徑25mm,填充活性炭。3、向反應器供給來自鋼瓶的模擬沼氣:沼氣成分是根據在現場進行的測量的平均值選擇的:62.5%vol甲烷和37.5%vol二氧化碳。使用固定污染物濃度(通常在100和1000ppmv之間)的甲烷鋼瓶將硫化氫送入系統。
用于檢測硫化氫的傳感器是一種電化學裝置,可以測量0至200ppmv測量誤差在滿刻度下從0線性增加到200ppmv。為了找到百分比誤差,首先,我們對所有測量值取平均值。然后,我們發現了我們的平均值和真實值之間的差異。傳感器的流量限制在500mL/min和1000mL/min之間,因此所有實驗都是在考慮該流量范圍的情況下進行的。這些實驗的目的是使用圖2中所示的實驗裝置計算被碳過濾器吸附的污染物的數量。實驗允許確定吸附曲線,這是固定床出口處污染物濃度隨時間的演變。該濃度將按照一定趨勢從零(當過濾器完全去除污染物時)上升到入口污染物值(飽和,當吸附劑不再過濾任何污染物并且出口濃度等于入口濃度時)。吸附曲線下方的面積是碳材料吸附污染物的量。

圖2:實驗裝置的布局。
突破吸附量:該值是指濾后污染物濃度達到C/C0固定閾值(文獻中通常為1%)的時刻,其中C(mol/m3)為實際的H2氣相中的S濃度和C0(mol/m3)是H2S入口濃度。抄送0比率是基本的,當清潔系統旨在保護清潔部分下游的設備時(例如,燃料電池系統可能會被非常低水平的污染物嚴重損壞),應該準確設置。吸附性能受飽和曲線剖面斜率的影響。如果坡度較淺,即使理想的線性前沿遠離床出口,也會更早達到飽和。發生吸附的傳質區(MTZ)的長度決定了突破時間。
飽和吸附量:該值與吸附污染物進入過濾器的最大值有關;它是在床出口處的污染物量與入口值相同(C=C0)時評估的。如果系統中有一系列可用的床,此值可能很有用。在這種情況下,第一個清洗容器甚至可以在突破后運行直到飽和(以充分利用材料),因為其他串聯床可用。
活性炭吸附容量與硫化氫的相關性
通過分析EDS分析發現的金屬氧化物的類型,研究了硫化氫吸附能力與活性炭表面化學組成之間的關系。在這種情況下,吸附稱為“化學吸附”,其中涉及的分子間力導致化學鍵的形成。硫化氫與樣品表面的金屬氧化物發生的反應是酸堿型的。從上述實驗測試中獲得了兩組數據。第一組與微反應器內的活性炭粉末有關,另一組涉及大型反應器內接收的活性炭。從收到的活性炭中獲得的吸附能力被認為更可靠,因為活性炭顆粒尺寸未隨表面特征改變。實驗在環境溫度下進行,流速等于750mL/min,硫化氫濃度為20ppmv,沼氣流速為0.995m/s。第一個關系是指含有鉀的活性炭和普通活性炭。圖3顯示鉀的存在對硫化氫吸附的影響。該圖顯示,含鉀活性炭其硫化氫吸附容量是普通活性炭的五倍多。

圖3:活性炭中氧化鉀含量對硫化氫吸附的影響。
活性炭吸附床用于沼氣凈化,重點介紹了描述活性炭吸附劑材料去除沼氣微污染物性能(吸附能力)的物理現象。在所有污染物中,選擇硫化氫和硅氧烷進行實驗分析,因為它們在沼氣中的濃度較高并且對燃料電池具有顯著的不利影響。活性炭的表面化學組成影響硫化氫吸附能力。含鉀活性炭和含鈣活性炭主要受其化學成分中氧化鈣和氧化鉀的影響。氧化金屬活性炭受其結構中氧化銅含量的強烈影響。所有分析樣品的硫化氫吸附能力均受鐵的存在影響,活性炭的結構特性影響了硅氧烷的吸附?紤]到氣體速度對吸附容量的影響,進行了定量分析。增加沼氣速度(+45%和+89%)與硫化氫的吸附能力(-27%和-44%)存在間接相關性。獲得和總結的結果被用于制定在大型工廠中去除痕量化合物的策略,例如,用于水凈化。所選擇的策略是串聯插入不同的床以去除特定化合物,例如硫化合物,然后是硅化合物。
文章標簽:椰殼活性炭,果殼活性炭,煤質活性炭,木質活性炭,蜂窩活性炭,凈水活性炭.推薦資訊
- 2026-02-25活性炭吸附處理啤酒廠廢水
- 2026-02-13活性炭吸附處理含汞廢氣
- 2026-02-04活性炭用于從廢水中吸附去除微量鎘和鉛
- 2026-01-28活性炭潔牙粉專用
- 2026-01-20活性炭在廢氣處理中的一些常識
- 2026-01-13活性炭在精制糖生產中的脫色效果
- 2026-01-07活性炭對咪唑基離子液體的吸附性能
- 2025-12-24活性炭改性增強對乙酰氨基酚的吸附
- 2025-12-15活性炭吸附馬兜鈴酸
- 2025-11-27超細活性炭5000目粉末活性炭
- 2025-11-26活性炭在硫化橡膠襯套中的應用
- 2025-11-19活性炭吸附重晶石混合物中的銅和鋅
